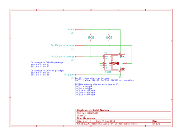
Download all latest schematics, PCBs and bills of materials for 32 inputs version in KiCad and PDF formats from MegaDrum forum (forum registration required)
Click the images to see full size versions.
Download all latest schematics, PCBs and bills of materials for 32 inputs version in KiCad and PDF formats from MegaDrum forum (forum registration required)
Click the images to see full size versions.


Copyright © 2026,
Theme Originally Created by Devsaran
